Einstellungstest Maschinenbau

Der folgende Test dauert 30 Minuten und beinhaltet Fragen zum technischen Verständnis und räumlichen Vorstellungsvermögen. Für einige Aufgaben kann es hilfreich sein, Stift und Papier zur Verfügung zu haben. Nachdem du eine Antwort abgegeben hast, kann die Aufgabe nicht erneut bearbeitet werden.

Viel Erfolg!

1 / 18

In welche Richtung dreht sich das große Zahnrad?

2 / 18

Welches Rad dreht sich am schnellsten?

3 / 18

Ein Wasserbecken kann durch zwei Zuflüsse gefüllt werden. Der erste Zufluss kann das Becken in 2 Stunden, der andere kann es in 3 Stunden alleine füllen. Wie lange dauert das Füllen des leeren Wasserbeckens, wenn beide Zuflüsse gleichzeitig geöffnet werden? Tragen Sie das Ergebnis in Minuten ein.

4 / 18

Sie kaufen einen Karton mit 24 Eiern. Welches Verhältnis von kaputten zu heilen Eiern ist ausgeschlossen?

5 / 18

Welche Zahl ersetzt das Fragezeichen?

6 / 18

Drei der vier Körper sind identisch. Welcher ist es nicht?

7 / 18

Welche Figur entsteht durch die Faltvorlage, wenn diese die Außenseite des Körpers zeigt?

8 / 18

Welche Figur entsteht durch die Faltvorlage, wenn diese die Außenseite des Körpers zeigt?

9 / 18

Dieses Würfelnetz zeigt die Außenseite des Würfels. Welcher der folgenden Würfel kann aus der Faltvorlage gebildet werden?

10 / 18

Ein bis zum Rand gefüllter Wassereimer steht auf einer Waage. Nun taucht man einen Holzklotz in das Wasser, wie es in der Abbildung zu sehen ist. Daraufhin läuft ein Teil des Wassers über den Rand. Welche Aussage stimmt?

11 / 18

Ein oben offenes Rohr ist, wie in der Abbildung zu sehen, mit einem Behälter verbunden. Welche Aussagen treffen bei dem angezeigten Wasserstand zu?

12 / 18

In welche Richtung fliegt die Kugel, wenn man sie loslässt?

13 / 18

Ein Gegenstand wird aus einem fliegenden Flugzeug geworfen. Welche Flugbahn ergibt sich theoretisch, wenn man von äußeren Faktoren (Reibung, Luftwiderstand etc.) absieht?

14 / 18

Welche Wippen können sich im Gleichgewicht befinden?

15 / 18

Welche Aussagen stimmen?

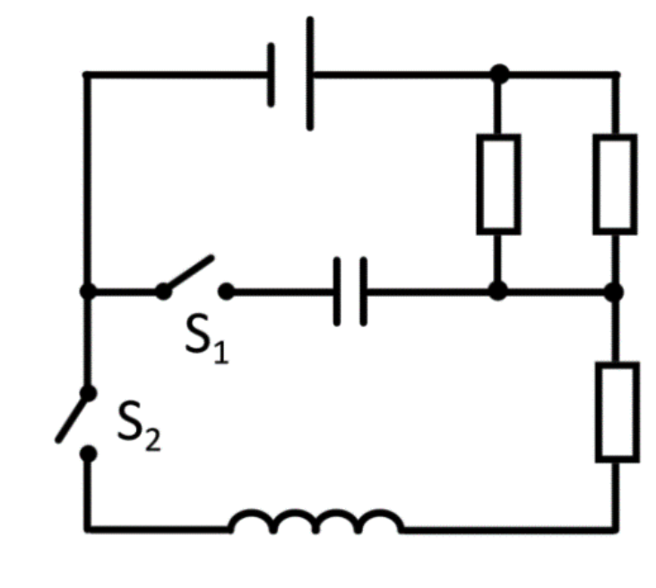
16 / 18

In einem Stromkreis soll der Strom und die Spannung gleichzeitig gemessen werden. Welche Schaltskizze ist korrekt?

17 / 18

In welche Richtung dreht sich das große Rad?

18 / 18

Die Häuser einer Straße sind der Reihe nach nummeriert, auf der einen Seite mit geraden Zahlen, auf der anderen mit ungeraden. Auf der einen Seite also 1,3,5,7,9,11,13… und auf der Andern Seite 2,4,6,8,10,12…. Der folgende Satz ist nur wichtig, wenn du Leiterbahnen anstelle von Synapsen hast. Multipliziere das Ergebnis mit 156, addiere 12 und ziehe die Wurzel.

1.) Jemand ist bei Haus Nummer 150 und sucht die Nummer 154. Wie viele Häuser weit muss er noch gehen? 

Dein Ergebnis ist

0%